全国服务热线:
+86-372-2595077/2595078/2595088
用途:
本系列电磁铁适用于交流50Hz/60Hz电压至380V的控制电路中,作为液压电磁换向阀的动力元件。可配套于日本油研型 (YUKEN) 六、十通径接线盒式螺纹联结电磁换向阀。
正常工作条件
● 可任意方向安装。
● 使用环境中应无足以腐蚀金属和破坏绝缘的气体和尘埃。否则,可能影响产品寿命。
● 电磁铁适合长期工作制、断续周期工作制。
● 电源电压的合理波动范围为85%-110%(特殊要求可订货时提出)。
● 外壳防护等级为IP65。
主要技术参数
型号 | MFJ9-26YC | MFJ9-50YC | ||
额定电压 (V) | 110/120 220/240 | 100200 | 110/120 220/240 | 100200 |
电源频率 (Hz) | 50/60 | 60 | 50/60 | 60 |
额定吸力 (N) | ≥26 | ≥50 | ||
额定行程 (mm) | 3 | 4 | ||
全行程 (mm) | ≥6 | ≥8 | ||
承受静态油压 (MPa) | 16 | 16 | ||
起动伏安 (VA) | ≤188 | ≤336 | ||
吸持伏安 (VA) | ≤60 | ≤84 | ||
操作频率 (T/h) | 12000 | 12000 | ||
订货代号
阀用电磁铁 | 交流 | 设计序号 | 额定吸力(N) | 湿式 |
MF | J | 9 | 26/50 | YC |
稳态行程-力特性曲线

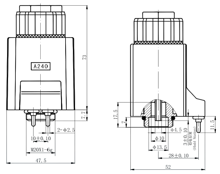
外形及安装尺寸
MFJ9-26YC

MFJ9-50YC

使用注意事项
● 电磁铁接线方式为接线盒式。接线盒的电压规格必须与电磁铁本体电压规格相符。
● 电磁铁的手动推杆用于在调试时或紧急情况下,进行手动控制。但当系统背压较高,调节困难时,请使用十字螺丝刀缓推手动推杆,不宜使用冲击力,以免破坏手动推杆和导向内孔表面,造成电磁铁漏油或不能复位。
● 当双向使用电磁铁时,一定要保证两个电磁铁不能同时通电,以免电磁铁非正常烧毁。
● 电气控制系统与电磁铁连接部分之间应设有过流保护装置,以免在非正常情况下,烧毁电磁铁及您的电控元件。
样本说明
● 如顾客有不同的需要,在电磁铁性能不变的情况下,电磁铁与阀体的联结尺寸、推杆伸出长度及工作电源电压可以根据要求调整。
● 特性曲线仅供参考。
● 主要特性参数均为实验室条件下获得。本公司保留修改参数的权力。
中文(简体)
English
Русский
Español